Oznámení

Sbalit
Aktuálně žádná oznámení.

Optická myš na Amize bez PS/redukce

Sbalit
X
 
  • Filtr
  • Čas
  • Zobrazit
Vymazat vše
new posts

    #16
    naskenuj to, ja to klidne prevedu do eagle, pomuzu i s prekladem a muzem to dat treba na aminet
    Umřít v nejlepším umí málokdo. Dokázala to jen Amiga a Šlacha.

    Komentovat


      #17
      Autorem citovaného textu je Chain Přejít na původní příspěvek
      naskenuj to, ja to klidne prevedu do eagle, pomuzu i s prekladem a muzem to dat treba na aminet
      To by šlo, počítám, že o víkendu to dokončím, tak potom, až si to přelouskáš, se dohodneme na dalším.

      P.S.: teď mě ještě napadlo, že by nebylo špatné vyrobit kryt na myšáka třeba ze dřeva - inspiroval jsem se tou C64-kou ve dřevě.
      Naposledy upravil networ; 06.09.2007, 09:31:14. Důvod: přídavek
      D.Gama/Divide/CF256MB, A500+/68020/8MB, A1200/68030/50/64MB, PowerMac 2xG5/1,8GHz/8GB/160GB/MacosX10_4, MacMini 1,25GHz G4/1GB/60GB/MacOSX10_4, SGI Indigo2/MIPS 6R4400/200/128MB/Irix 6.5

      Komentovat


        #18
        Takže toto téma uzavírám, na důvod se mě neptejte, jen jsem ztratil iluze o některých členech tohoto fóra. Jestli někdo bude mít i nadále zájem o podklady k přestavbě, kontaktujte mě prosím přes SZ.
        Díky za ohlasy a omlouvám se, další bastly k Amize si radši nechám pro sebe, sorry.
        Naposledy upravil networ; 13.09.2007, 09:59:47. Důvod: překlep
        D.Gama/Divide/CF256MB, A500+/68020/8MB, A1200/68030/50/64MB, PowerMac 2xG5/1,8GHz/8GB/160GB/MacosX10_4, MacMini 1,25GHz G4/1GB/60GB/MacOSX10_4, SGI Indigo2/MIPS 6R4400/200/128MB/Irix 6.5

        Komentovat


          #19
          Ja nevim, proc jses hnedka tak naprdnutej. Pro vetsinu lidi je absolutne technicky nemozne, aby tohle doma zvladli, tak je to moc nezajima. Ja jsem treba psal, ze se mi to zda celkem konstrukcne narocne a davam prednost ps2 redukci, coz je navic universalni. Kldine delej batly dal, je to zajimave.

          Komentovat


            #20
            Zda se mi skoda se o to schema nepodelit s lidmi na Aminetu
            I love Amiga

            Komentovat


              #21
              Autorem citovaného textu je networ Přejít na původní příspěvek
              Takže toto téma uzavírám, na důvod se mě neptejte, jen jsem ztratil iluze o některých členech tohoto fóra. Jestli někdo bude mít i nadále zájem o podklady k přestavbě, kontaktujte mě prosím přes SZ.
              Díky za ohlasy a omlouvám se, další bastly k Amize si radši nechám pro sebe, sorry.
              taky nechápu
              pařba a flink chtěj celýho člověka...

              Komentovat


                #22
                Fakt si to neberte nikdo osobně, holt mám dneska blbej den (admin ví asi proč) , za což se opět (ale dneska už naposledy) omlouvám. Dobrá, uveřejním to tak jak to stojí a leží a každému při potížich se stavbou samozřejmě poradím, ale nemám náladu na to, aby mi někdo pak psal, ze to dělám blbě (i kdyby měl pravdu), prostě tak jak to je napsaný, o.k. ?

                Mě baví rozebírat staré (funkční) věci, a použít je v nějaké své konstrukci, třeba zrovna k nápadu předělávky této myši mě přivedl článek na Internetu, kde nějaký holanďan popisoval, že se mu povedlo optickou myš "hacknout" a normálně dostal z té myši obrázky, které ten optický senzor nasnímal, to byla teda fakt síla (škoda jen že linky na jeho program už jsou nefunkční, to bych si rád vyzkoušel).

                Autorem citovaného textu je Doda Přejít na původní příspěvek
                Ja nevim, proc jses hnedka tak naprdnutej. Pro vetsinu lidi je absolutne technicky nemozne, aby tohle doma zvladli, tak je to moc nezajima. Ja jsem treba psal, ze se mi to zda celkem konstrukcne narocne a davam prednost ps2 redukci, coz je navic universalni. Kldine delej batly dal, je to zajimave.
                Naposledy upravil networ; 13.09.2007, 13:46:21. Důvod: úprava
                D.Gama/Divide/CF256MB, A500+/68020/8MB, A1200/68030/50/64MB, PowerMac 2xG5/1,8GHz/8GB/160GB/MacosX10_4, MacMini 1,25GHz G4/1GB/60GB/MacOSX10_4, SGI Indigo2/MIPS 6R4400/200/128MB/Irix 6.5

                Komentovat


                  #23
                  No admin neví nic a je trochu mimo mísu. Uniklo mi snad něco?
                  Pegasos II (1266MHz), 2048MB RAM, Radeon 9250 (256MB), HDD 200GB, USB 2.0, ZIP250 USB, USB floppy, SB Live!, HP LaserJet 1100, AmigaOS 4.1 Final Edition

                  Komentovat


                    #24
                    myslel jsem predsedu, sorry, zeptej se jeho (moje chyba)

                    Autorem citovaného textu je Prober Přejít na původní příspěvek
                    No admin neví nic a je trochu mimo mísu. Uniklo mi snad něco?
                    D.Gama/Divide/CF256MB, A500+/68020/8MB, A1200/68030/50/64MB, PowerMac 2xG5/1,8GHz/8GB/160GB/MacosX10_4, MacMini 1,25GHz G4/1GB/60GB/MacOSX10_4, SGI Indigo2/MIPS 6R4400/200/128MB/Irix 6.5

                    Komentovat


                      #25
                      Já nejsem admin, jsem tady pouze dohled
                      "Co dělají dneska amigisti? Chlastaj pivo a hrají do zblbnutí Turricana.." (Prober, 30. leden 2025)

                      Komentovat


                        #26
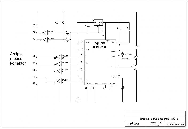
                        Zapojení

                        Tak tady máte první verzi zapojení optické myši, není to ještě hotové, nedopsal jsem tam ještě nějaké hodnoty součástek (hlavně kondenzátorů), ale to brzy dodělám (i s popisem). To jenom abyste si nemysleli, že na tom nedělám .
                        Přiložené soubory
                        D.Gama/Divide/CF256MB, A500+/68020/8MB, A1200/68030/50/64MB, PowerMac 2xG5/1,8GHz/8GB/160GB/MacosX10_4, MacMini 1,25GHz G4/1GB/60GB/MacOSX10_4, SGI Indigo2/MIPS 6R4400/200/128MB/Irix 6.5

                        Komentovat


                          #27
                          Preco je tam 74LS14 (spomalovac) a nie klasicke inventory LS04?
                          Amiga 600 2MB Chip, Furia 030/40MHz, FDD HD 1,76MB (AriseR6i)
                          Furiatune homepage

                          Komentovat


                            #28
                            spomalovac?

                            Já tedy 74LS14 neříkám zpomalovač, ale invertující Schmittův klopný obvod (SKO) a je tam použitý proto, aby upravil signál z tlačítek myši (odstraní tak elektrické zákmity při spínání/rozpínání tlačítka - to se používá už velmi dlouho) díky hysterezi SKO. No a protože jich je v pouzdru 6, použil jsem zbývající čtyři pro oddělení výstupů optického senzoru od Amigy - je to trošku elektricky "robustnější", i když je pravda, že by to pravděpodobně fungovalo i bez tohoto oddělení. Více v popisu přestavby myši, který doufám dodělám ještě do víkendu.

                            Autorem citovaného textu je Boboo Přejít na původní příspěvek
                            Preco je tam 74LS14 (spomalovac) a nie klasicke inventory LS04?
                            D.Gama/Divide/CF256MB, A500+/68020/8MB, A1200/68030/50/64MB, PowerMac 2xG5/1,8GHz/8GB/160GB/MacosX10_4, MacMini 1,25GHz G4/1GB/60GB/MacOSX10_4, SGI Indigo2/MIPS 6R4400/200/128MB/Irix 6.5

                            Komentovat


                              #29
                              Ja ten obvod tiez pouzivam, ale trosku pre inu funkciu, ale dakujem za rozum
                              Amiga 600 2MB Chip, Furia 030/40MHz, FDD HD 1,76MB (AriseR6i)
                              Furiatune homepage

                              Komentovat


                                #30
                                To ano, když zapojíš všech těch 6 invertorů se SKO (ale i bez něj) do série za sebou, na výstupu bude signál o pár (možná desítek) nanosekund zpožděný (a když použiješ verzi bez LS, bude to zpoždění logicky několikrát delší, protože ta základní řada 74XX je dost pomalá oproti 74LSXX nebo 74ALS, 74F a podobně - tohle ale myslím všichni víte .
                                Autorem citovaného textu je Boboo Přejít na původní příspěvek
                                Ja ten obvod tiez pouzivam, ale trosku pre inu funkciu, ale dakujem za rozum
                                D.Gama/Divide/CF256MB, A500+/68020/8MB, A1200/68030/50/64MB, PowerMac 2xG5/1,8GHz/8GB/160GB/MacosX10_4, MacMini 1,25GHz G4/1GB/60GB/MacOSX10_4, SGI Indigo2/MIPS 6R4400/200/128MB/Irix 6.5

                                Komentovat

                                Zpracovávám...
                                X